Zwischenposition

Zubehör Handlingmodule: Zwischenposition

3 Stellungen: Übersicht Zwischenposition

Zubehör: 3. Position vertikal

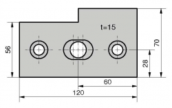
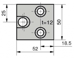
Zubehör: Adapterplatte

Adapterplatten ohne Positionsbohrungen

  • Adapterplatte AP12 passend für Handlingmodul HG12
  • Adapterplatte AP16 passend für Handlingmodul HG16
  • Adapterplatte AP20 passend für Handlingmodul HG20
  • Adapterplatte AP25 passend für Handlingmodul HG25

Ansprechpartner

Haben Sie Fragen zu unseren Produkten? Bitte zögern Sie nicht, uns zu kontaktieren!

Blätterkatalog Handlingmodule / Normbauelemente / Greifer / Beölungen / Keiltriebe

Der Produktkatalog Handlingmodule bietet eine genaue Auflistung unserer Handlingmodule und Konstruktionsteile.

Durchblättern